БАУПРОФИC
+7(987)1082-64-54
ОДНОЭТАЖНЫЙ ДОМ ИЗ КРУПНОФОРМАТНОЙ КЕРАМИКИ ПЛОЩАДЬЮ 98 КВ.М

ПРОЕКТ: КФК - 98
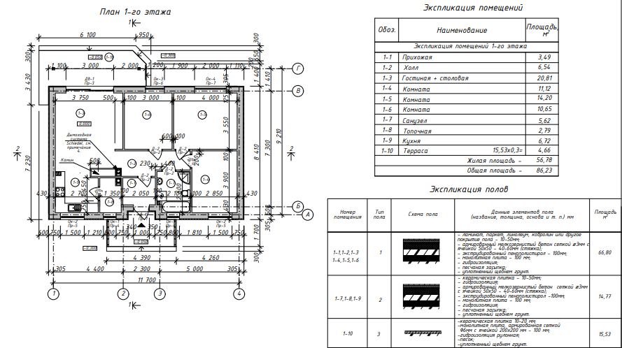
Общая площадь дома - 97,5 м2.
Жилая площадь дома - 56,8 м2.
Площадь террасы и крыльца - 15,5 м2.
Площади спален - 11,1 / 14,2 / 10,7 м2.
Площади санузлов - 5,6 м2.
Площадь гостиной - 20,8 м2.
Высота дома - 5,2 м.
КОМПЛЕКТАЦИЯ ДОМА "ТЁПЛЫЙ КОНТУР":
Фундамент - монолитная ж/б плита толщиной 250 мм с утеплением 50 мм.
Закладные под инженерные системы: водоснабжение, водоотведения и электричество.
Несущие стены дома - крупноформатные блоки Porotherm 38 Thermo под наружную отделку облицовочным керамическим кирпичом.
Внутренние опорные столбы первого этажа - железобетонные, наружные - деревянные.
Чердачное перекрытие - деревянное.
Кровля скатная. Несущие конструкции - деревянные. Утепление кровли - 250 мм. Покрытие кровли - металлочерепица. Водосточная система - наружная. Трубчатая система снегозадержания.
Подшивная доска для свесов кровли, планкен прямой неокрашенный
Окна из ПВХ - профиля толщиной 70 мм. Стеклопакеты: 40 мм.
Цвет профиля: Белый. Отливы оконные. Москитные сетки.
Дверь входная металлическая, временная.





КОНСУЛЬТАЦИЯ
ПО СТРОИТЕЛЬСТВУ ВАШЕГО ДОМА
Мы обязательно Вам перезвоним и ответим на все Ваши вопросы по строительству дома!